Horloge coucou avec ESP8266
Ce projet est réalisé avec
l'environnement de développement Annex WIFI RDS.
Pour flasher l'interpréteur Basic dans la mémoire de l'ESP8266, toute la
procédure est décrite sur le site. De nombreux exemples sont disponibles,
ainsi que les fichiers d'aide.
Pour un projet relativement complexe comme celui-ci, quelques lignes de
code suffisent pour la programmation.
Le basic d'Annex Wifi permet aussi la création de pages HTML dynamiques.
L'ESP8266 étant accessible en Wifi sur le réseau local, il suffit de taper
l'adresse IP dans un navigateur pour accéder au programme, à la page HTML
et celle de configuration.

Le projet
J'utilise un module ESP8266 WeMos D1 mini Pro, un autre module convient mais il faut adapter les connexions.
L'ESP8266 utilise un serveur WEB pour afficher l'heure, mesure la température et actionne un servomoteur pour faire sortir le coucou toutes les heures.
La sortie du coucou s'accompagne d'un enregistrement du chant du coucou.
Pour rendre l'affichage de l'heure attrayant, des diodes neopixel changent de couleur.
La luminosité de l'afficheur est réglée avec une LDR en fonction du jour ou de la nuit.
Les
composants
Le tableau de bord
C'est la page HTML réalisée par le sous programme WEB PAGE

La mise en boitier.
Un carré de 200 x 200 mm, épaisseur 18 mm en pin, constitue le support. Il est encadré par de la moulure fixée sur les chants. Un plaque de 120 x 50 permet son appui sur une surface plane et une inclinaison de 15 ° environ.
3 découpes sont nécessaires pour le passage du son, l'afficheur et le coucou, en face avant, plus 2 autres découpes en face arrière pour la carte de contrôle et le servomoteur. Ces découpes sont réalisées avec une petite défonceuse (affleureuse).
Pour la porte cachant le coucou montée sur le palonnier du servomoteur, il faut bricoler un peu avec 3 morceaux de contreplaqué.
Quelques mesures sont données sur le dessin du support vue de face et d'arrière, en sachant que les découpes doivent correspondre aux dimensions des pièces réalisées à l'imprimante 3D. Tout ceci n'est qu'indicatif, chacun peut réaliser la mise en boitier en fonction de son équipement et de ses envies.

Quelques photos seront plus parlantes pour la réalisation...
| 2 plaques de contreplaqué de 6 mm collées à l'equerre sur un support en quart de cercle viennent se fixer sur le palonnier du servomoteur. |
|
![]() |
![]() |
Les pièces en plastique sont réalisées à l'imprimante 3D avec du fil "texture bois". Les fonds sont vissés dans le support en bois.
fond ESP8266 |
fond afficheur |
fond coucou son |
maison coucou |
coucou |
![]() |
![]() |
![]() |
![]() |
![]() |
Toutes les pièces au format .stl avec le fichier setchup : horloge.zip

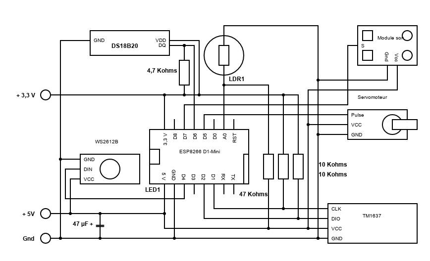
Le
montage
Le montage suit le schéma suivant :

Le montage est alimenté en 5V mais les entrées sorties de l'ESP8266 fonctionnant avec le niveau logique 3,3 V, on utilise le régulateur de la carte pour plusieurs composants.
On peut expérimenter le fonctionnement sur une plaque de connexions..
Le module son est relié à D7, l'ESP8266 mais à la masse son interrupteur poussoir "Play", ce qui diffuse le son. L'enregistrement du son se fait avec le micro du module et la carte son de l'ordinateur. On joue un fichier "cri de coucou", téléchargé sur internet.
Le
programme
Le programme mesure la température, utilise un serveur de temps pour afficher l'heure. L'heure dépend du Time Zone =1 pour l'heure d'hiver dans le menu Config.
Un sous programme permet de faire tourner le servomoteur dans un sens et dans l'autre.
Au passage de l'heure il fait tourner le sevomoteur pour permettre au coucou de sortir et envoie le son du coucou. Une minute après le servomoteur tourne dans l'autre sens pour permettre au coucou de rentrer.