Programmer un microcontrôleur PIC
Le programmateur

J'utilise le PIC-01 de SEEIT, c'est un programmateur qui utilise le Port sériel d'un PC. Les PC ne possédant plus de Port sériel, on peut utiliser un câble convertisseur USB/ série.
L'avantage est que l'on peut placer le PIC à programmer sur le support DIL à 8 broches.

Une autre option est d'utiliser un programmateur in situ comme le PICKIT4 ou 5. Il faut prévoir un adaptateur avec support DIL à 8 broches pour programmer avec le fichier .hex ou mieux utiliser la programmation ICSP directement avec l' IDE MPLAB X.

La programmation avec le PIC-01

De nombreux programmes gratuits sont disponibles. j'utilise PicPgm Programmer. Il est compatible avec les dernières version de Windows et détecte automatiquement la carte de programmation ( JDM Programmer pour le PIC-01) et le microcontrôleur.
La partie la plus délicate est le réglage des fusibles. Ils permettent par exemple le choix de l'oscillateur ( interne, quartz, RC), la définition de certaines broches, etc...
Attention ! Des erreurs à ce niveau peuvent empêcher le microcontrôleur de fonctionner ou pire, rendre impossible une nouvelle programmation.

Après avoir mis le PIC dans le bon support de programmation sur la carte PIC-01, alimentée en 12 V et la relier au PC par un cordon sériel, le programme PicPgm devrait trouver les bons réglages et le type de pic automatiquement.

Voici les réglages pour notre programme :


Le menu File permet de charger le programme .hex.
Les codes en Hexadécimal s'inscrivent dans la fenêtre.

Les réglages des fusibles dans l'onglet Config Mem sont :

- FOSC configure l'oscillateur, ici INTOSC I/O function car nous n'utilisons pas de quartz mais l'oscillateur interne sans sortie sur une broche extérieure.
- MCLR (Master Clear) doit être actif car c'est la broche de reset du PIC.
- BODEN
(Brown Out Reset) doit être actif car il permet le reset du Pic en cas de baisse anormale de la tension d'alimentation.

La programmation ICSP avec le PicKit 5

L'IDE MPLAB X détecte automatiquement Le PicKit 5. Si les branchements sont corrects et le PIC est alimenté en 5V, la chaine d'outils effectuera la compilation et la programmation.

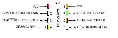
Pour me repérer j'utilise des câbles de couleur en respectant le tableau suivant :

Voici les branchements pour un PIC 12F629